Kategorie
    Značky
      Blog
          Nenalezeny žádné produkty.
          Uživatel
          {common::1::headerMenuHeading}

          Držáky na soustružení s výměnnými destičkami

          DRŽÁKY NA SOUSTRUŽENÍ S VBD - STABILITA, PŘESNOST A EFEKTIVITA PRO MODERNÍ OBRÁBĚNÍ

          Držáky na soustružení s výměnnými břitovými destičkami (VBD) představují nepostradatelný prvek každého moderního soustružnického pracoviště a to bez ohledu na velikost výroby či typ obráběného materiálu. Jejich konstrukce je navržena pro maximální efektivitu, univerzálnost a životnost, přičemž využití výměnných břitových destiček přináší zásadní technologickou výhodu - rychlou a snadnou výměnu řezné části nástroje bez nutnosti přeostřování nebo nastavování celého nástroje. Tento systém významně zkracuje časy výměny, omezuje nutnost dlouhých prostojů a současně zajišťuje konzistentní kvalitu obrábění i při dlouhodobém provozu.

          Díky spojení robustní konstrukce držáku a flexibility vyměnitelných destiček se jedná o optimální řešení jak pro automatizovanou sériovou výrobu, tak pro kusové a zakázkové obrábění, kde je potřeba častěji reagovat na změnu materiálu či typu operace. Výměna břitu zabere minimum času a přináší vyšší provozní efektivitu bez kompromisů na straně kvality nebo přesnosti.

          Každý držák je precizně navržen tak, aby odolával vysokému zatížení a dynamickým řezným silám, ke kterým běžně dochází při hrubovacích i dokončovacích operacích. Přesné vedení a uložení destičky, spolu s optimalizovanou geometrií těla držáku, zajišťují nejen dlouhou životnost samotného nástroje, ale také stabilitu a bezpečnost během celého obráběcího cyklu. V konstrukci držáku hraje důležitou roli i způsob upnutí, od jednoduchých šroubových systémů až po mechanické upínací segmenty, které umožňují rychlou a bezpečnou manipulaci při výměně VBD.

          Nabídka držáků je velmi široká a zahrnuje vnější soustružnické nože, používané při opracování vnějších válcových ploch, čelních ploch, kuželů nebo přechodových oblastí, stejně jako vnitřní držáky, určené pro soustružení otvorů, dutin a jinak obtížně přístupných míst. Každý typ držáku je navržen s ohledem na konkrétní aplikaci, ať už se jedná o hrubování, dokončování, podélné soustružení, zapichování, nebo tvarové obrábění.

          Moderní držáky často obsahují integrovaný systém vnitřního chlazení, který přivádí řeznou kapalinu přímo ke břitu nástroje. To výrazně zlepšuje odvod tepla, minimalizuje vznik trhlin v řezné hraně a prodlužuje životnost destiček i při obrábění materiálů s horší obrobitelností nebo při práci s vysokými řeznými rychlostmi. Volitelné varianty s různým úhlem nastavení, typem upínací drážky a kompatibilitou s ISO, DIN nebo jinými normami, umožňují ideální přizpůsobení konkrétnímu stroji a typu operace.

          Výměnné destičky lze jednoduše kombinovat v rámci jednoho držáku podle požadavků na obrobitelnost materiálu (např. ocel, litina, nerez, hliník nebo titan), což umožňuje rychlou adaptaci na měnící se podmínky bez nutnosti výměny celého nástroje. Stačí pouze zvolit vhodný tvar, geometrii a povlakování VBD a pokračovat v obrábění s maximální produktivitou.

          V dnešním konkurenčním výrobním prostředí je důležité minimalizovat časy výměny nástrojů, zefektivnit výrobu a zároveň zachovat špičkovou kvalitu výsledného obrobku. Právě držáky s VBD nabízejí všechna tato řešení v jednom kompaktním a profesionálním nástroji. Ať už obrábíte na CNC soustruzích s automatickou výměnou nástrojů, nebo na klasických strojích v malosériové výrobě, správně zvolený držák představuje klíčový prvek každé výrobní operace.

          Dlouhá životnost, snadná výměna, spolehlivé upnutí a vysoká opakovatelnost dělají z těchto držáků standardní volbu pro široké spektrum soustružnických aplikací. Investice do kvalitního držáku s výměnnými břitovými destičkami je tak investicí do vyšší efektivity, nižších nákladů a bezchybného výsledku.

          Zobrazit dle filtru


          PAA16M-SVQCL11

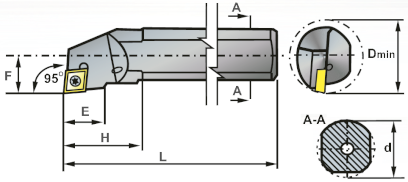
          Soustružnický nůž vyvrtávací A16MSVQCL11. Průměr držáku je 16 mm, celková délka 150 mm. Hlava držáku má tvar Q a úhel nastavení 107°30´. Do držáku se upínají destičky kosočtvercového tvaru s úhlem 35° s délkou řezné hrany 6,35 mm. Úhel hřbetu destičk

          1 týden
          3 366,89 Kč  s DPH
          PAA16M-SVQCR11

          Soustružnický nůž vyvrtávací A16MSVQCR11. Průměr držáku je 16 mm, celková délka 150 mm. Hlava držáku má tvar Q a úhel nastavení 107°30´. Do držáku se upínají destičky kosočtvercového tvaru s úhlem 35° s délkou řezné hrany 6,35 mm. Úhel hřbetu destičk

          1 týden
          3 366,89 Kč  s DPH
          PAA16M-SVUCL11

          Soustružnický nůž vyvrtávací A16MSVUCL11. Průměr držáku je 16 mm, celková délka 150 mm. Hlava držáku má tvar U a úhel nastavení 93°. Do držáku se upínají destičky kosočtvercového tvaru s úhlem 35° s délkou řezné hrany 6,35 mm. Úhel hřbetu destičky je

          1 týden
          3 366,89 Kč  s DPH
          PAA16M-SVUCR11

          Soustružnický nůž vyvrtávací A16MSVUCR11. Průměr držáku je 16 mm, celková délka 150 mm. Hlava držáku má tvar U a úhel nastavení 93°. Do držáku se upínají destičky kosočtvercového tvaru s úhlem 35° s délkou řezné hrany 6,35 mm. Úhel hřbetu destičky je

          1 týden
          3 366,89 Kč  s DPH
          PAA16RSCLCL09

          Soustružnický držák pro vnitřní soustružení . Průměr držáku je 16 mm, celková délka 200 mm. Hlava držáku má tvar L a úhel nastavení 95°. Do držáku se upínají destičky kosočtvercového tvaru s úhlem 80° s délkou řezné hrany 9,525 mm. Úhel hřbetu destič

          1 týden
          2 136,32 Kč  s DPH
          PAA16RSCLCR09

          Soustružnický držák pro vnitřní soustružení . Průměr držáku je 16 mm, celková délka 200 mm. Hlava držáku má tvar L a úhel nastavení 95°. Do držáku se upínají destičky kosočtvercového tvaru s úhlem 80° s délkou řezné hrany 9,525 mm. Úhel hřbetu destič

          1 týden
          2 136,32 Kč  s DPH
          PAA20Q-MCLNL12

          Soustružnický nůž vyvrtávací AQ-MCLNL12. Průměr držáku je 20 mm, celková délka 180 mm. Hlava držáku má tvar L a úhel nastavení 95°. Do držáku se upínají destičky kosočtvercového tvaru s úhlem 80° s délkou řezné hrany 12,7 mm. Úhel hřbetu destičky je

          1 týden
          4 657,49 Kč  s DPH
          PAA20Q-MCLNR12

          Soustružnický nůž vyvrtávací AQ-MCLNR12. Průměr držáku je 20 mm, celková délka 180 mm. Hlava držáku má tvar L a úhel nastavení 95°. Do držáku se upínají destičky kosočtvercového tvaru s úhlem 80° s délkou řezné hrany 12,7 mm. Úhel hřbetu destičky je

          1 týden
          4 657,49 Kč  s DPH
          PAA20Q-MTUNL16

          Soustružnický nůž vyvrtávací A20Q-MTUNL16. Průměr držáku je 20 mm, celková délka 180 mm. Hlava držáku má tvar U a úhel nastavení 93°. Do držáku se upínají destičky trojúhelníkového tvaru s délkou řezné hrany 9,525 mm. Úhel hřbetu destičky je 0°, směr

          1 týden
          4 657,49 Kč  s DPH
          PAA20Q-MTUNR16

          Soustružnický nůž vyvrtávací A20Q-MTUNR16. Průměr držáku je 20 mm, celková délka 180 mm. Hlava držáku má tvar U a úhel nastavení 93°. Do držáku se upínají destičky trojúhelníkového tvaru s délkou řezné hrany 9,525 mm. Úhel hřbetu destičky je 0°, směr

          1 týden
          4 657,49 Kč  s DPH
          PAA20Q-MWLNL06

          Soustružnický nůž vyvrtávací A20Q-MWLNL06. Průměr držáku je 20 mm, celková délka 180 mm. Hlava držáku má tvar L a úhel nastavení 95°. Do držáku se upínají destičky trigonového tvaru s úhlem 80° s délkou řezné hrany 9,525 mm. Úhel hřbetu destičky je 0

          1 týden
          4 657,49 Kč  s DPH
          PAA20Q-MWLNR06

          Soustružnický nůž vyvrtávací A20Q-MWLNR06. Průměr držáku je 20 mm, celková délka 180 mm. Hlava držáku má tvar L a úhel nastavení 95°. Do držáku se upínají destičky trigonového tvaru s úhlem 80° s délkou řezné hrany 9,525 mm. Úhel hřbetu destičky je 0

          1 týden
          4 657,49 Kč  s DPH
          Načítám...

          Košík obsahuje nepovolené položky

          Košík je prázdný

          Zobrazit košík

          Zboží bylo přidáno do porovnání

          Prosím čekejte...
          Objednávku nelze dokončit, zkuste to prosím později

          Napište nám

          Chcete nám něco sdělit o našich produktech nebo e-shopu? Neváhejte napsat.

          Souhlas se zpracováním osobních údajů je povinné pole

          Zpráva byla odeslána
          Požadavek nemůže být odeslán. Zkuste to znovu později