Kategorie
    Značky
      Blog
          Nenalezeny žádné produkty.
          Uživatel
          {common::1::headerMenuHeading}

          Držáky na soustružení s výměnnými destičkami

          DRŽÁKY NA SOUSTRUŽENÍ S VBD - STABILITA, PŘESNOST A EFEKTIVITA PRO MODERNÍ OBRÁBĚNÍ

          Držáky na soustružení s výměnnými břitovými destičkami (VBD) představují nepostradatelný prvek každého moderního soustružnického pracoviště a to bez ohledu na velikost výroby či typ obráběného materiálu. Jejich konstrukce je navržena pro maximální efektivitu, univerzálnost a životnost, přičemž využití výměnných břitových destiček přináší zásadní technologickou výhodu - rychlou a snadnou výměnu řezné části nástroje bez nutnosti přeostřování nebo nastavování celého nástroje. Tento systém významně zkracuje časy výměny, omezuje nutnost dlouhých prostojů a současně zajišťuje konzistentní kvalitu obrábění i při dlouhodobém provozu.

          Díky spojení robustní konstrukce držáku a flexibility vyměnitelných destiček se jedná o optimální řešení jak pro automatizovanou sériovou výrobu, tak pro kusové a zakázkové obrábění, kde je potřeba častěji reagovat na změnu materiálu či typu operace. Výměna břitu zabere minimum času a přináší vyšší provozní efektivitu bez kompromisů na straně kvality nebo přesnosti.

          Každý držák je precizně navržen tak, aby odolával vysokému zatížení a dynamickým řezným silám, ke kterým běžně dochází při hrubovacích i dokončovacích operacích. Přesné vedení a uložení destičky, spolu s optimalizovanou geometrií těla držáku, zajišťují nejen dlouhou životnost samotného nástroje, ale také stabilitu a bezpečnost během celého obráběcího cyklu. V konstrukci držáku hraje důležitou roli i způsob upnutí, od jednoduchých šroubových systémů až po mechanické upínací segmenty, které umožňují rychlou a bezpečnou manipulaci při výměně VBD.

          Nabídka držáků je velmi široká a zahrnuje vnější soustružnické nože, používané při opracování vnějších válcových ploch, čelních ploch, kuželů nebo přechodových oblastí, stejně jako vnitřní držáky, určené pro soustružení otvorů, dutin a jinak obtížně přístupných míst. Každý typ držáku je navržen s ohledem na konkrétní aplikaci, ať už se jedná o hrubování, dokončování, podélné soustružení, zapichování, nebo tvarové obrábění.

          Moderní držáky často obsahují integrovaný systém vnitřního chlazení, který přivádí řeznou kapalinu přímo ke břitu nástroje. To výrazně zlepšuje odvod tepla, minimalizuje vznik trhlin v řezné hraně a prodlužuje životnost destiček i při obrábění materiálů s horší obrobitelností nebo při práci s vysokými řeznými rychlostmi. Volitelné varianty s různým úhlem nastavení, typem upínací drážky a kompatibilitou s ISO, DIN nebo jinými normami, umožňují ideální přizpůsobení konkrétnímu stroji a typu operace.

          Výměnné destičky lze jednoduše kombinovat v rámci jednoho držáku podle požadavků na obrobitelnost materiálu (např. ocel, litina, nerez, hliník nebo titan), což umožňuje rychlou adaptaci na měnící se podmínky bez nutnosti výměny celého nástroje. Stačí pouze zvolit vhodný tvar, geometrii a povlakování VBD a pokračovat v obrábění s maximální produktivitou.

          V dnešním konkurenčním výrobním prostředí je důležité minimalizovat časy výměny nástrojů, zefektivnit výrobu a zároveň zachovat špičkovou kvalitu výsledného obrobku. Právě držáky s VBD nabízejí všechna tato řešení v jednom kompaktním a profesionálním nástroji. Ať už obrábíte na CNC soustruzích s automatickou výměnou nástrojů, nebo na klasických strojích v malosériové výrobě, správně zvolený držák představuje klíčový prvek každé výrobní operace.

          Dlouhá životnost, snadná výměna, spolehlivé upnutí a vysoká opakovatelnost dělají z těchto držáků standardní volbu pro široké spektrum soustružnických aplikací. Investice do kvalitního držáku s výměnnými břitovými destičkami je tak investicí do vyšší efektivity, nižších nákladů a bezchybného výsledku.

          Zobrazit dle filtru


          PA150.19-25-5

          Soustružnický držák pro upichování a zapichování 150.19-25-5. Délka držáku je 150 mm, výška 32 mm, šířka 4,3 mm. Šířka destičky 5,1 mm. Do držáku se upínají destičky LFMX5. Držák se upíná do držáku typu PTNn nebo PTND.

          1 týden
          1 994,96 Kč  s DPH
          PA150.19-25-6

          Soustružnický držák pro upichování a zapichování 150.19-25-6. Délka držáku je 150 mm, výška 32 mm, šířka 5,5 mm. Šířka destičky 6,1 mm. Do držáku se upínají destičky LFMX6. Držák se upíná do držáku typu PTNn nebo PTND.

          1 týden
          2 158,47 Kč  s DPH
          PA151.19-130

          Klíč 151.19-130 pro vkládání destiček do upichovací planžety 151.19. Destička se do planžety vkládá a opět vytahuje bez jakéhokoli šroubování s použitím tohoto klíče, pomocí kterého se hnízdo pro vkládání destičky mírně roztáhne a destička tak lze sn

          1 týden
          64,37 Kč  s DPH
          PA151.19-25-3

          Soustružnický držák pro upichování a zapichování 151.19-25-3. Délka držáku je 150 mm, výška 32 mm, šířka 2,3 mm. Šířka destičky 3,1 mm. Do držáku se upínají destičky LFMX3. Držák se upíná do držáku typu PTNn nebo PTND.

          1 týden
          2 180,31 Kč  s DPH
          PA151.19-25-4

          Soustružnický držák pro upichování a zapichování 151.19-25-4. Délka držáku je 150 mm, výška 32 mm, šířka 3,2 mm. Šířka destičky 4,1 mm. Do držáku se upínají destičky LFMX4. Držák se upíná do držáku typu PTNn nebo PTND.

          1 týden
          2 239,51 Kč  s DPH
          PA152.19-32-3

          soustružnický vyvrtávací nůž 152.19-32-3

          1 týden
          3 242,45 Kč  s DPH
          PA152.19-32-4

          soustružnický vyvrtávací nůž 152.19-32-4

          1 týden
          3 242,45 Kč  s DPH
          PA155.19-20-2

          soustružnický nůž upichovací planžeta 155.19-20-2

          1 týden
          2 091,23 Kč  s DPH
          PA155.19-20-3

          soustružnický nůž upichovací planžeta 155.19-20-3

          1 týden
          2 091,23 Kč  s DPH
          PA155.19-20-4

          soustružnický nůž upichovací planžeta 155.19-20-4

          1 týden
          2 122,84 Kč  s DPH
          PA155.19-25-2

          soustružnický nůž upichovací planžeta 155.19-25-2

          1 týden
          2 217,96 Kč  s DPH
          PA155.19-25-3

          soustružnický nůž upichovací planžeta 155.19-25-3

          1 týden
          2 217,96 Kč  s DPH
          PA155.19-25-4

          soustružnický nůž upichovací planžeta 155.19-25-4

          1 týden
          2 376,30 Kč  s DPH
          PA155.19-KLUCZ

          Klíč 155.19-pro vkládání destiček do upichovací planžety 155.19. Destička se do planžety vkládá a opět vytahuje bez jakéhokoli šroubování s použitím tohoto klíče, pomocí kterého se hnízdo pro vkládání destičky mírně roztáhne a destička tak lze snadno

          1 týden
          427,90 Kč  s DPH
          PAA0810JSCLCL06

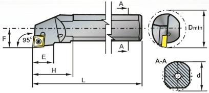
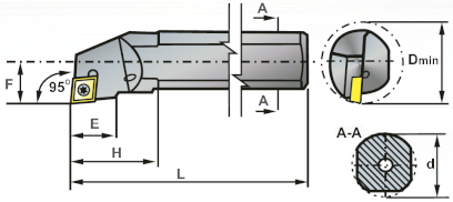
          Soustružnický nůž vyvrtávací A0810J-SCLCL 06. Průměr držáku je 10 mm, celková délka 110 mm. Hlava držáku má tvar L a úhel nastavení 95°. Do držáku se upínají destičky kosočtvercového tvaru s úhlem 80° s délkou řezné hrany 6,35 mm. Úhel hřbetu destičk

          1 týden
          2 041,51 Kč  s DPH
          PAA0810JSCLCR06

          Soustružnický nůž vyvrtávací A0810J-SCLCR 06. Průměr držáku je 10 mm, celková délka 110 mm. Hlava držáku má tvar L a úhel nastavení 95°. Do držáku se upínají destičky kosočtvercového tvaru s úhlem 80° s délkou řezné hrany 6,35 mm. Úhel hřbetu destičk

          1 týden
          2 041,51 Kč  s DPH
          PAA08F-SCFCR06

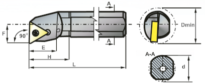
          Soustružnický nůž vyvrtávací A08FSCFCR06. Průměr držáku je 8 mm, celková délka 80 mm. Hlava držáku má tvar F a úhel nastavení 90°. Do držáku se upínají destičky kosočtvercového tvaru s úhlem 80° s délkou řezné hrany 6,35 mm. Úhel hřbetu destičky je 7

          1 týden
          2 732,07 Kč  s DPH
          PAA08F-SCLCR06

          Soustružnický nůž vyvrtávací A08FSCLCR06. Průměr držáku je 8 mm, celková délka 80 mm. Hlava držáku má tvar L a úhel nastavení 95°. Do držáku se upínají destičky kosočtvercového tvaru s úhlem 80° s délkou řezné hrany 6,35 mm. Úhel hřbetu destičky je 7

          1 týden
          2 732,07 Kč  s DPH
          PAA1012KSCLCL06

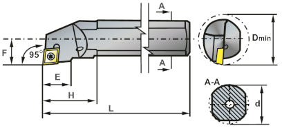
          Soustružnický držák pro vnitřní soustružení ocelový s chladícím otvorem. Průměr držáku je 12 mm, celková délka 125 mm. Hlava držáku má tvar L a úhel nastavení 95°. Do držáku se upínají destičky kosočtvercového tvaru s úhlem 80° velikosti s délkou ře

          1 týden
          2 122,55 Kč  s DPH
          PAA1012KSCLCR06

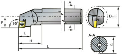
          Soustružnický držák pro vnitřní soustružení . Průměr držáku je 12 mm, celková délka 125 mm. Hlava držáku má tvar L a úhel nastavení 95°. Do držáku se upínají destičky kosočtvercového tvaru s úhlem 80° s délkou řezné hrany 6,35 mm. Úhel hřbetu destičk

          1 týden
          2 122,55 Kč  s DPH
          PAA10H-SCFCR06

          Soustružnický nůž vyvrtávací A10HSCFCR06. Průměr držáku je 10 mm, celková délka 100 mm. Hlava držáku má tvar F a úhel nastavení 90°. Do držáku se upínají destičky kosočtvercového tvaru s úhlem 80° s délkou řezné hrany 6,35 mm. Úhel hřbetu destičky je

          1 týden
          2 842,14 Kč  s DPH
          PAA10H-SCLCR06

          Soustružnický nůž vyvrtávací A10HSCLCR06. Průměr držáku je 10 mm, celková délka 100 mm. Hlava držáku má tvar L a úhel nastavení 95°. Do držáku se upínají destičky kosočtvercového tvaru s úhlem 80° s délkou řezné hrany 6,35 mm. Úhel hřbetu destičky je

          1 týden
          2 842,14 Kč  s DPH
          PAA10H-SDUCL 07

          Soustružnický držák pro vnitřní soustružení . Průměr držáku je 10 mm, celková délka 100 mm. Hlava držáku má tvar U a úhel nastavení 93°. Do držáku se upínají destičky kosočtvercového tvaru s úhlem 55° s délkou řezné hrany 6,35 mm. Úhel hřbetu destičk

          1 týden
          2 842,14 Kč  s DPH
          PAA10H-SDUCR 07

          Soustružnický držák pro vnitřní soustružení . Průměr držáku je 10 mm, celková délka 100 mm. Hlava držáku má tvar U a úhel nastavení 93°. Do držáku se upínají destičky kosočtvercového tvaru s úhlem 55° s délkou řezné hrany 6,35 mm. Úhel hřbetu destičk

          1 týden
          2 842,14 Kč  s DPH
          PAA10H-STFCL09

          Soustružnický nůž vyvrtávací A10H-STFCL09. Průměr držáku je 10 mm, celková délka 100 mm. Hlava držáku má tvar F a úhel nastavení 90°. Do držáku se upínají destičky trojúhelníkového tvaru s délkou řezné hrany 5,56 mm. Úhel hřbetu destičky je 7°, směr

          1 týden
          2 842,14 Kč  s DPH
          PAA10H-STFCR09

          Soustružnický nůž vyvrtávací A10H-STFCR09. Průměr držáku je 10 mm, celková délka 100 mm. Hlava držáku má tvar F a úhel nastavení 90°. Do držáku se upínají destičky trojúhelníkového tvaru s délkou řezné hrany 5,56 mm. Úhel hřbetu destičky je 7°, směr

          1 týden
          2 842,14 Kč  s DPH
          PAA1216MSCLCL06

          Soustružnický držák pro vnitřní soustružení . Průměr držáku je 16 mm, celková délka 150 mm. Hlava držáku má tvar L a úhel nastavení 95°. Do držáku se upínají destičky kosočtvercového tvaru s úhlem 80° s délkou řezné hrany 6,35 mm. Úhel hřbetu destičk

          1 týden
          2 315,38 Kč  s DPH
          PAA1216MSCLCR06

          Soustružnický držák pro vnitřní soustružení . Průměr držáku je 16 mm, celková délka 150 mm. Hlava držáku má tvar L a úhel nastavení 95°. Do držáku se upínají destičky kosočtvercového tvaru s úhlem 80° s délkou řezné hrany 6,35 mm. Úhel hřbetu destičk

          1 týden
          2 315,38 Kč  s DPH
          PAA12K-SCLCR06

          Soustružnický nůž vyvrtávací A12KSCLCR06. Průměr držáku je 12 mm, celková délka 125 mm. Hlava držáku má tvar L a úhel nastavení 95°. Do držáku se upínají destičky kosočtvercového tvaru s úhlem 80° s délkou řezné hrany 6,35 mm. Úhel hřbetu destičky j

          1 týden
          3 184,40 Kč  s DPH
          PAA12K-SDQCL07

          Soustružnický nůž vyvrtávací A12K-SDQCL07. Průměr držáku je 12 mm, celková délka 125 mm. Hlava držáku má tvar Q a úhel nastavení 107°30´. Do držáku se upínají destičky kosočtvercového tvaru s úhlem 55° s délkou řezné hrany 6,35 mm. Úhel hřbetu desti

          1 týden
          3 026,63 Kč  s DPH
          PAA12K-SDQCR 07

          Soustružnický nůž vyvrtávací A12KSDQCR07. Průměr držáku je 12 mm, celková délka 125 mm. Hlava držáku má tvar Q a úhel nastavení 107°30´. Do držáku se upínají destičky kosočtvercového tvaru s úhlem 55° s délkou řezné hrany 6,35 mm. Úhel hřbetu destič

          1 týden
          3 026,63 Kč  s DPH
          PAA12K-SDUCL 07

          Soustružnický nůž vyvrtávací A12KSDUCL07. Průměr držáku je 12 mm, celková délka 125 mm. Hlava držáku má tvar U a úhel nastavení 93°. Do držáku se upínají destičky kosočtvercového tvaru s úhlem 55° s délkou řezné hrany 6,35 mm. Úhel hřbetu destičky j

          1 týden
          3 026,63 Kč  s DPH
          PAA12K-SDUCR 07

          Soustružnický nůž vyvrtávací A12KSDUCR07. Průměr držáku je 12 mm, celková délka 125 mm. Hlava držáku má tvar U a úhel nastavení 93°. Do držáku se upínají destičky kosočtvercového tvaru s úhlem 55° s délkou řezné hrany 6,35 mm. Úhel hřbetu destičky j

          1 týden
          3 026,63 Kč  s DPH
          PAA12K-STFCR11

          Soustružnický nůž vyvrtávací A12KSTFCR11. Průměr držáku je 12 mm, celková délka 125 mm. Hlava držáku má tvar F a úhel nastavení 90°. Do držáku se upínají destičky trojúhelníkového tvaru s délkou řezné hrany 6,35 mm. Úhel hřbetu destičky je 7°, směr

          1 týden
          3 184,40 Kč  s DPH
          PAA12MSCLCL09

          Soustružnický držák pro vnitřní soustružení . Průměr držáku je 12 mm, celková délka 150 mm. Hlava držáku má tvar L a úhel nastavení 95°. Do držáku se upínají destičky kosočtvercového tvaru s úhlem 80° s délkou řezné hrany 9,525 mm. Úhel hřbetu destič

          1 týden
          1 860,17 Kč  s DPH
          PAA12MSCLCR09..

          Soustružnický držák pro vnitřní soustružení . Průměr držáku je 12 mm, celková délka 150 mm. Hlava držáku má tvar L a úhel nastavení 95°. Do držáku se upínají destičky kosočtvercového tvaru s úhlem 80° s délkou řezné hrany 9,525 mm. Úhel hřbetu destič

          1 týden
          1 860,17 Kč  s DPH
          PAA16M-SCLCL 09R

          Soustružnický nůž vyvrtávací A16M-SCLCL09R. Průměr držáku je 16 mm, celková délka 150 mm. Hlava držáku má tvar L a úhel nastavení 95°. Do držáku se upínají destičky kosočtvercového tvaru s úhlem 80° s délkou řezné hrany 9,525 mm. Úhel hřbetu destičky

          1 týden
          2 815,99 Kč  s DPH
          PAA16M-SCLCL09

          Soustružnický nůž vyvrtávací A16M-SCLCL09. Průměr držáku je 16 mm, celková délka 150 mm. Hlava držáku má tvar L a úhel nastavení 95°. Do držáku se upínají destičky kosočtvercového tvaru s úhlem 80° s délkou řezné hrany 9,525 mm. Úhel hřbetu destičky

          1 týden
          3 366,89 Kč  s DPH
          PAA16M-SCLCR06

          Soustružnický nůž vyvrtávací A16MSCLCR06. Průměr držáku je 16 mm, celková délka 150 mm. Hlava držáku má tvar L a úhel nastavení 95°. Do držáku se upínají destičky kosočtvercového tvaru s úhlem 80° s délkou řezné hrany 6,35 mm. Úhel hřbetu destičky je

          1 týden
          3 366,89 Kč  s DPH
          PAA16M-SCLCR09

          Soustružnický nůž vyvrtávací A16M-SCLCR09. Průměr držáku je 16 mm, celková délka 150 mm. Hlava držáku má tvar L a úhel nastavení 95°. Do držáku se upínají destičky kosočtvercového tvaru s úhlem 80° s délkou řezné hrany 9,525 mm. Úhel hřbetu destičky

          1 týden
          3 366,89 Kč  s DPH
          PAA16M-SCXCL06

          Soustružnický nůž vyvrtávací A16M-SCXCL06. Průměr držáku je 16 mm, celková délka 150 mm. Hlava držáku má tvar X a úhel nastavení 0. Do držáku se upínají destičky kosočtvercového tvaru s úhlem 80° s délkou řezné hrany 6,35 mm. Úhel hřbetu destičky je

          1 týden
          3 366,89 Kč  s DPH
          PAA16M-SCXCR06

          Soustružnický nůž vyvrtávací A16M-SCXCR06. Průměr držáku je 16 mm, celková délka 150 mm. Hlava držáku má tvar X a úhel nastavení 0. Do držáku se upínají destičky kosočtvercového tvaru s úhlem 80° s délkou řezné hrany 6,35 mm. Úhel hřbetu destičky je

          1 týden
          3 366,89 Kč  s DPH
          PAA16M-SDQCR 07

          Soustružnický nůž vyvrtávací A16MSDQCR07. Průměr držáku je 16 mm, celková délka 150 mm. Hlava držáku má tvar Q a úhel nastavení 107°30´. Do držáku se upínají destičky kosočtvercového tvaru s úhlem 55° s délkou řezné hrany 6,35 mm. Úhel hřbetu destičk

          1 týden
          3 266,59 Kč  s DPH
          PAA16M-SDQCR11

          Soustružnický nůž vyvrtávací A16M-SDQCR11. Průměr držáku je 16 mm, celková délka 150 mm. Hlava držáku má tvar Q a úhel nastavení 107°30´. Do držáku se upínají destičky kosočtvercového tvaru s úhlem 55° s délkou řezné hrany 9,525 mm. Úhel hřbetu desti

          1 týden
          3 367,17 Kč  s DPH
          PAA16M-SDUCL07

          Soustružnický nůž vyvrtávací A16M-SDUCL07. Průměr držáku je 16 mm, celková délka 150 mm. Hlava držáku má tvar U a úhel nastavení 93°. Do držáku se upínají destičky kosočtvercového tvaru s úhlem 55° s délkou řezné hrany 6,35 mm. Úhel hřbetu destičky j

          1 týden
          3 366,89 Kč  s DPH
          PAA16M-SDUCR07

          Soustružnický nůž vyvrtávací A16M-SDUCR07. Průměr držáku je 16 mm, celková délka 150 mm. Hlava držáku má tvar U a úhel nastavení 93°. Do držáku se upínají destičky kosočtvercového tvaru s úhlem 55° s délkou řezné hrany 6,35 mm. Úhel hřbetu destičky j

          1 týden
          3 366,89 Kč  s DPH
          PAA16M-STFCL11

          Soustružnický nůž vyvrtávací A16MSTFCL11. Průměr držáku je 16 mm, celková délka 150 mm. Hlava držáku má tvar F a úhel nastavení 90°. Do držáku se upínají destičky trojúhelníkového tvaru s délkou řezné hrany 6,35 mm. Úhel hřbetu destičky je 7°, směr ř

          1 týden
          3 366,89 Kč  s DPH
          PAA16M-STFCR11

          Soustružnický nůž vyvrtávací A16MSTFCR11. Průměr držáku je 16 mm, celková délka 150 mm. Hlava držáku má tvar F a úhel nastavení 90°. Do držáku se upínají destičky trojúhelníkového tvaru s délkou řezné hrany 6,35 mm. Úhel hřbetu destičky je 7°, směr ř

          1 týden
          3 366,89 Kč  s DPH
          Načítám...

          Košík obsahuje nepovolené položky

          Košík je prázdný

          Zobrazit košík

          Zboží bylo přidáno do porovnání

          Prosím čekejte...
          Objednávku nelze dokončit, zkuste to prosím později

          Napište nám

          Chcete nám něco sdělit o našich produktech nebo e-shopu? Neváhejte napsat.

          Souhlas se zpracováním osobních údajů je povinné pole

          Zpráva byla odeslána
          Požadavek nemůže být odeslán. Zkuste to znovu později