Kategorie
    Značky
      Blog
          Nenalezeny žádné produkty.
          Uživatel
          {common::1::headerMenuHeading}

          Soustružnické nože pro vnitřní soustružení

          VNITŘNÍ SOUSTRUŽENÍ - NÁSTROJE, KTERÉ ZVLÁDNOU I TY NEJSLOŽITĚJŠÍ TVARY

          Vnitřní soustružnické nože představují nezbytný nástroj pro každého, kdo se zabývá obráběním otvorů, dutin a těžko přístupných míst. Díky své konstrukci umožňují efektivní a přesné vnitřní soustružení v široké škále aplikací - od jednoduchého ubírání materiálu až po složité tvarové operace v hlubokých otvorech. Každý nástroj v této kategorii je navržen tak, aby zajišťoval vysokou tuhost, stabilitu a spolehlivost i při dlouhodobém zatížení. Výsledkem je čistý povrch, opakovatelná kvalita a minimalizace nutnosti následných úprav.

          Vnitřní nože s výměnnými břitovými destičkami (VBD) umožňují rychlou výměnu břitu bez potřeby přeostřování celého nástroje. To zajišťuje úsporu času, snížení prostojů a vyšší efektivitu výroby. Kromě klasického ubírání vnitřních ploch lze v rámci této kategorie vybírat také specializované typy nožů. Pro precizní odebírání materiálu z vnitřních stěn otvorů nabízíme širokou škálu ubíracích nožů, které jsou optimalizovány pro vysoký výkon a přesné vedení v řezu. V případech, kdy je nutné vytvářet přesné a čisté drážky ve vnitřních prostorech, najdou své uplatnění zapichovací nože, které jsou navrženy pro stabilní řezné podmínky i při obrábění v omezených prostorách.

          Pro výrobu vnitřních závitů pak nabízíme také závitovací nože, které umožňují tvorbu metrických, trubkových nebo speciálních závitů s vysokou přesností a bez nutnosti více kroků. Tyto nástroje jsou dostupné v různých geometriích, vhodných pro ocel, litinu, hliník či nerez a jsou kompatibilní s běžnými standardy včetně ISO a DIN. Výběrem správného typu destičky lze jednoduše přizpůsobit nůž konkrétní aplikaci bez nutnosti výměny celého držáku.

          Moderní vnitřní nože jsou často vybaveny možností vnitřního chlazení, které efektivně odvádí teplo přímo od břitu a přispívá k prodloužení životnosti destiček, omezení opotřebení a zajištění konstantní kvality povrchu. Díky kompaktní konstrukci a optimalizovaným úhlům jsou tyto nože schopny obrábět i hluboké a úzké dutiny bez vibrací a s maximální kontrolou nad celým procesem. Jejich využití je vhodné jak pro CNC soustruhy, tak pro konvenční obráběcí stroje.

          Pokud hledáte řešení, které přinese vyšší efektivitu, rychlejší výměny nástrojů, vyšší přesnost i spolehlivost v náročných podmínkách, jsou vnitřní soustružnické nože s VBD tou správnou volbou. V kombinaci s vhodnou břitovou destičkou dosáhnete optimálního výsledku v každé fázi obrábění - od hrubování až po finální dokončovací operace. Vyberte si z naší široké nabídky a posuňte úroveň vašeho soustružení na novou úroveň.

          Zobrazit dle filtru


          PAS40V-MTFNR22

          Soustružnický nůž vyvrtávací S40V-MTFNR22. Průměr držáku je 40 mm, celková délka 400 mm. Hlava držáku má tvar F a úhel nastavení 90°. Do držáku se upínají destičky trojúhelníkového tvaru s délkou řezné hrany 12,7 mm. Úhel hřbetu destičky je 0°, směr

          1 týden
          4 210,91 Kč  s DPH
          PAS40V-MWLNL08

          Soustružnický nůž vyvrtávací S40V-MWLNL08. Průměr držáku je 40 mm, celková délka 400 mm. Hlava držáku má tvar L a úhel nastavení 95°. Do držáku se upínají destičky trigonového tvaru s úhlem 80° s délkou řezné hrany 12,7 mm. Úhel hřbetu destičky je 0°

          1 týden
          4 210,91 Kč  s DPH
          PAS40V-MWLNR08

          Soustružnický nůž vyvrtávací S40V-MWLNR08. Průměr držáku je 40 mm, celková délka 400 mm. Hlava držáku má tvar L a úhel nastavení 95°. Do držáku se upínají destičky trigonového tvaru s úhlem 80° s délkou řezné hrany 12,7 mm. Úhel hřbetu destičky je 0°

          1 týden
          4 210,91 Kč  s DPH
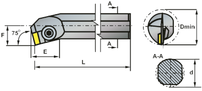
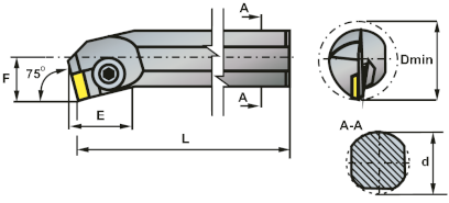
          PAS50VCSKPL19

          Soustružnický držák pro vnitřní soustružení . Průměr držáku je 50 mm, celková délka 400 mm. Hlava držáku má tvar K a úhel nastavení 75°. Do držáku se upínají destičky čtvercového tvaru s délkou řezné hrany 19,05 mm. Úhel hřbetu destičky je 11°, směr

          1 týden
          5 436,56 Kč  s DPH
          PAS50VCSKPR19

          Soustružnický držák pro vnitřní soustružení . Průměr držáku je 50 mm, celková délka 400 mm. Hlava držáku má tvar K a úhel nastavení 75°. Do držáku se upínají destičky čtvercového tvaru s délkou řezné hrany 19,05 mm. Úhel hřbetu destičky je 11°, směr

          1 týden
          5 436,56 Kč  s DPH
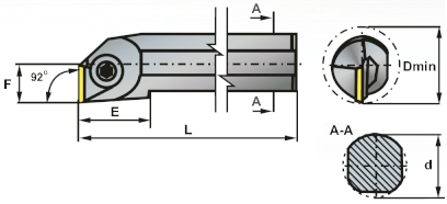
          PAS50VCTFPL22

          Soustružnický držák pro vnitřní soustružení . Průměr držáku je 50 mm, celková délka 400 mm. Hlava držáku má tvar F a úhel nastavení 90°. Do držáku se upínají destičky trojúhelníkového tvaru s délkou řezné hrany 12,7 mm. Úhel hřbetu destičky je 11°, s

          1 týden
          5 436,56 Kč  s DPH
          PAS50VCTFPR22

          Soustružnický držák pro vnitřní soustružení . Průměr držáku je 50 mm, celková délka 400 mm. Hlava držáku má tvar F a úhel nastavení 90°. Do držáku se upínají destičky trojúhelníkového tvaru s délkou řezné hrany 12,7 mm. Úhel hřbetu destičky je 11°, s

          1 týden
          5 436,56 Kč  s DPH
          PAS50VMCLNL19

          Soustružnický držák pro vnitřní soustružení . Průměr držáku je 50 mm, celková délka 400 mm. Hlava držáku má tvar L a úhel nastavení 95°. Do držáku se upínají destičky kosočtvercového tvaru s úhlem 80° s délkou řezné hrany 19,05 mm. Úhel hřbetu destič

          1 týden
          5 599,79 Kč  s DPH
          PAS50VMCLNR19

          Soustružnický držák pro vnitřní soustružení . Průměr držáku je 50 mm, celková délka 400 mm. Hlava držáku má tvar L a úhel nastavení 95°. Do držáku se upínají destičky kosočtvercového tvaru s úhlem 80° s délkou řezné hrany 19,05 mm. Úhel hřbetu destič

          1 týden
          5 599,79 Kč  s DPH
          PAS50VPTFNL22

          Soustružnický držák pro vnitřní soustružení . Průměr držáku je 50 mm, celková délka 400 mm. Hlava držáku má tvar F a úhel nastavení 90°. Do držáku se upínají destičky trojúhelníkového tvaru s délkou řezné hrany 12,7 mm. Úhel hřbetu destičky je 0°, sm

          1 týden
          5 689,74 Kč  s DPH
          PAS50VPTFNR22

          Soustružnický držák pro vnitřní soustružení . Průměr držáku je 50 mm, celková délka 400 mm. Hlava držáku má tvar F a úhel nastavení 90°. Do držáku se upínají destičky trojúhelníkového tvaru s délkou řezné hrany 12,7 mm. Úhel hřbetu destičky je 0°, sm

          1 týden
          5 689,74 Kč  s DPH
          PASCFCL10CA09

          Vyvrtávací tyč SCFCL 10CA09. Šířka tyče od kraje po hranu destičky je 10 mm. Do tyče se upíná destička kosočtvercového tvaru s úhlem 80° s úhlem hřbetu 7°, velikost destičky je 9. Destička se do tyče upíná způsobem S, to je šroubem v kuželovém otvoru

          1 týden
          2 743,86 Kč  s DPH
          Načítám...

          Košík obsahuje nepovolené položky

          Košík je prázdný

          Zobrazit košík

          Zboží bylo přidáno do porovnání

          Prosím čekejte...
          Objednávku nelze dokončit, zkuste to prosím později

          Napište nám

          Chcete nám něco sdělit o našich produktech nebo e-shopu? Neváhejte napsat.

          Souhlas se zpracováním osobních údajů je povinné pole

          Zpráva byla odeslána
          Požadavek nemůže být odeslán. Zkuste to znovu později